三络制冷
会员登陆
用户名:
密  码:
新用户注册  忘记密码?
产品列表
机房精密空调
加湿器
机房监控
过滤器
水处理
新风系统
压缩机
冷凝器
膨胀阀
压力控制器
冷凝风扇
风扇调速器
液镜
单向阀
安全阀
压力调整阀




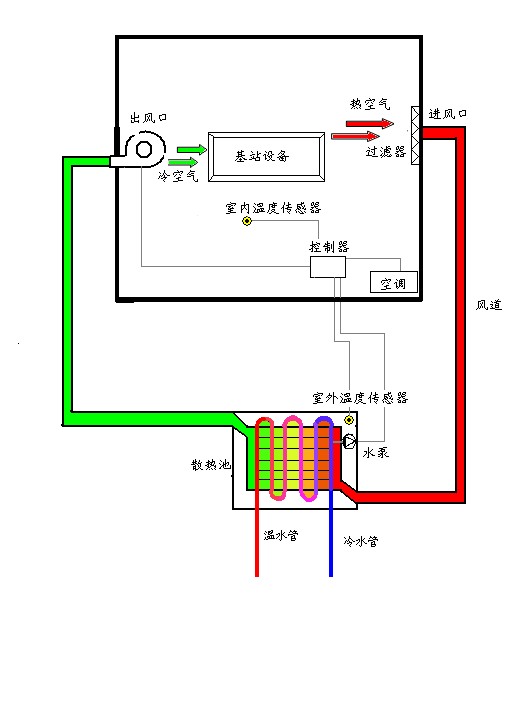
    新风系统 >> 地下水源节能降温机    
    点击数:2199  录入时间:2016/8/30 【打印此页】 【返回    
   

特点:

  • 散热效果比较明显
  • 地下水源取材方便
  • 受季节影响较小
  • 残留的温水可以循环使用
找番号吧 化妆品排行榜 宝宝辅食食谱

   
 
 





    版权所有© 三络制冷 制作维护 北大青鸟 | 管理进入 | QQ:12719441|加入收藏夹|
                                Copyright© 2007 All rights reserved
您是第 位访问者